-
源杰科技(688498) 电信、数通业务放缓以及减值导致23年业绩下滑 公司发布23年年报以及24年一季报,23年实现营业收入1.44亿元,同比减少49%,归母净利润1948万元,同比减少81%,主要是原因是:1)电信市场投资放缓,且国内竞争激烈导致毛利率下降;2)在传统云计算的数通领域投资放缓;3... [详细...]文件大小: | 3 页 PDF 2024-05-03
-
恒玄科技(688608) 核心观点 2023年营收同比增长46.57%,扣非归母净利润同比增长135.96%。2023年实现营业收入21.76亿元(YoY+46.57%),主因其新一代BES2700系列智能可穿戴芯片的市场广泛认可与快速上量,拓宽了下游应用领域并显著提升了营收结构多元化;同时,公司通... [详细...]文件大小: | 7 页 PDF 2024-03-31
-
仕佳光子(688313) 投资要点 事件:公司发布2023年年度报告&2024年一季报,2023年实现营收7.5亿元,同比下降16.5%;归母净利润-4754.7万元,同比下降174%。其中,23Q4单季度实现营收2.1亿元,同比下降2.4%,环比增长1.1%;归母净利润-1991万元,同比下降55... [详细...]文件大小: | 16 页 PDF 2024-04-21
-
该数据手册介绍了科大讯飞 XF-S3011 中文语音合成芯片的特点、功能、应用、外围电路、封装形式、电气特性等信息。... [详细...]文件大小: | 17 页 PDF 2025-10-09
-
随着汽车行业的智能化、网联化趋势加速发展,车辆信息安全已成为全球范围内关注的焦点。智能网 联汽车通过集成先进的通信、导航、传感和控制技术,为用户提供前所未有的信息化和智能化。然而,这 些先进技术也带来了新的安全风险与挑战,使得车辆信息安全形势愈发复杂和严峻。这些风险不仅关乎个 人隐私和财产安全... [详细...]
文件大小: | 75 页 PDF 2025-10-14 -
晶丰明源(688368)事件晶丰明源发布2023年第三季度报告:2023年前三季度,公司实现营收9.16亿元,同比增长13.56%;归母净利润亏损0.35亿元,同比减亏。经计算,2023年Q3单季度,公司实现营收3.01亿元,同比增长39.79%,环比减少14.15%;实现归母净利润0.54亿元,同... [详细...]文件大小: | 5 页 PDF 2023-11-04
-
恒玄科技(688608)核心观点国内音频SoC领导者,乘TWS耳机之风高速成长。恒玄成立于15年,主要产品包括普通蓝牙音频、智能蓝牙音频、Type-C音频芯片,并逐步拓展到WiFi智能音频芯片领域。公司定位品牌客户,以前瞻的产品布局及技术创新抓住TWS耳机爆发风口,成功切入主流安卓阵营和其他一线音频... [详细...]文件大小: | 34 页 PDF 2021-11-22
-
北斗星通(002151)事件:3月27日晚北斗星通发布2022年年度报告,实现营业收入为38.16亿元,同比下降0.90%;实现归母净利润为1.45亿元,同比下降28.13%;实现扣非归母净利润为0.68亿元,同比下降47.97%;基本每股收益0.29元,同比下降27.50%;毛利率为30.23%,... [详细...]文件大小: | 3 页 PDF 2023-03-28
-
核心观点AI的iPhone时刻到来,微软、英伟达、华为等巨头密集推新。2022年11月底,OpenAI发布ChatGPT,迅速引发全球关注,仅两个月时间,全球独立访问用户过亿。短时间内,全球巨头纷纷推出各自的生成式AI产品:3月2日OpenAI开放API接口,16日百度发布文心一言,17日微软推出C... [详细...]文件大小: | 42 页 PDF 2023-03-28
-
本手册详细介绍了 VIA K8T890 芯片组主板的功能、安装、使用方法以及常见问题的解决方案。... [详细...]文件大小: | 62 页 PDF 2025-10-18
-
力合微(688589)事件描述公司发布2022年三季报:2022年第三季度,公司实现营业收入1.27亿元,同比增长108.87%,实现归属于上市公司股东的净利润1965.65万元,同比增长1602.61%。2022年前三季度,公司实现营业收入3.50亿元,同比增长75.09%,实现归属于上市公司股东... [详细...]文件大小: | 5 页 PDF 2022-12-09
-
铂科新材(300811) 投资要点 事件:公司披露2023年年度报告,业绩高速增长。公司2023年营业收入为11.59亿元,同比+8.71%;归母净利润2.56亿元,同比+32.48%;扣非归母净利润为2.39亿元,同比+29.58%。公司2023年全年业绩高速增长。 公司2023年磁性电感营收超4... [详细...]文件大小: | 4 页 PDF 2024-04-23
-
本文件介绍了深圳唯创知音电子有限公司 WT1312 功放芯片的功能、管脚描述、极限参数、应用电路和封装管脚图等... [详细...]文件大小: | 7 页 PDF 2025-10-07
-
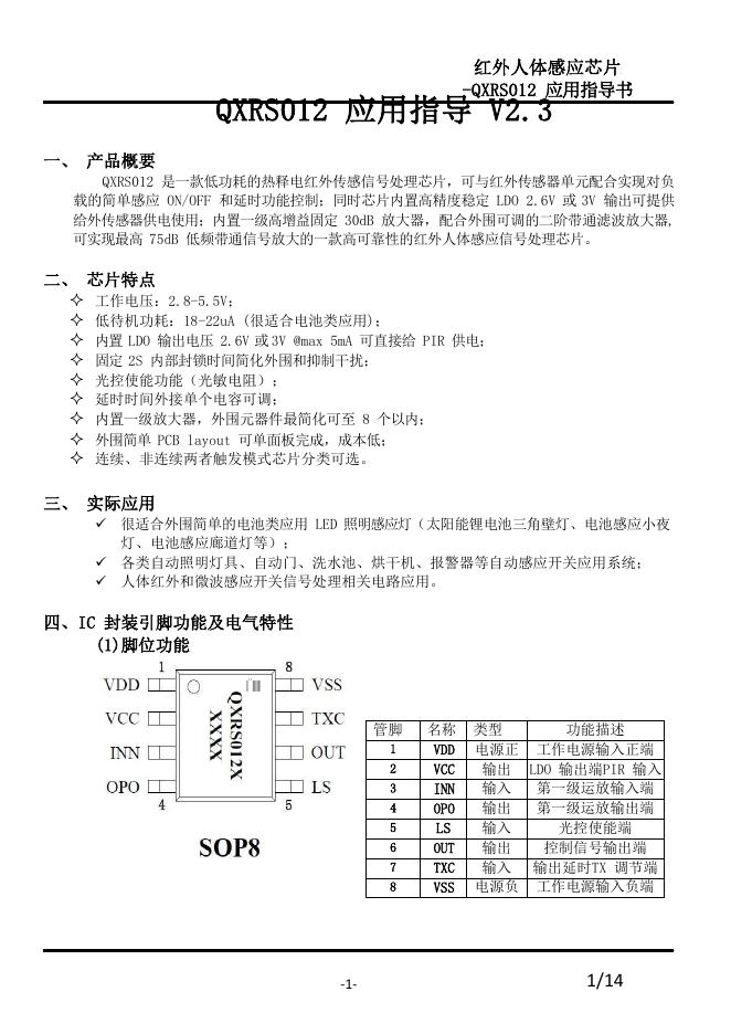
QXRS012是一款低功耗的热释电红外传感信号处理芯片,具有低待机功耗、内置稳定LDO输出、固定封锁时间、光控使能功能等特点。... [详细...]文件大小: | 14 页 PDF 2025-11-11
-
核心观点 本周核心观点与重点要闻回顾 被动元件:村田、TDK等被动元件一线厂部分产品或将涨价,被动元件产业链有望受益。被动元件一线大厂包括村田、TDK等,有望调升积层式电感/磁珠报价,预期大尺寸会先涨价,涨幅约10%至20%。我们认为,随着智能手机旺季即将到来叠加PC市场复苏,或将驱动被动元件价格上... [详细...]文件大小: | 13 页 PDF 2024-08-22
-
全志科技(300458)事件:全志科技发布2021年半年报预告,预计上半年实现归属于上市公司股东的净利润2.3亿至2.6亿,同比增长167.29%-202.15%。万物互联大时代,AIoT卖水人显著受益。根据IDC发布的2021年中国智能家居市场预测显示:2021年智能家电增速将超过30%,智能照明... [详细...]文件大小: | 5 页 PDF 2021-12-23
-
源杰科技(688498) 事件:8月29日,公司发布2024年半年报,上半年实现营收1.20亿元,同比增长95.96%,实现归母净利润1075.13万元,同比下降44.56%,实现扣非归母净利润947.02万元,同比增长129.97%。 行业需求呈现回暖,助力营收同比增长:受益于行业需求回暖以及公司... [详细...]文件大小: | 3 页 PDF 2024-08-31
-
主要观点 半导体产品原产地将按照“流片地”认定,而不是封装地认定4月11日,中国半导体行业协会发布紧急通知,明确半导体产品“原产地”认定规则。通知明确,根据海关总署的相关规定,“集成电路”原产地按照四位税则号改变原则认定,即流片地认定为原产地,请在申报时准备好PO证明材料,以备海关核查。新规则按晶圆... [详细...]文件大小: | 2 页 PDF 2025-04-15
-
PT5622是一款电子镇流器专用控制芯片,适用于普通开关的调光产品。它具有灯电流负反馈闭环控制、可编程预热时间和频率等特点。... [详细...]文件大小: | 13 页 PDF 2025-09-21
-
投资要点: 2025年7月26日至29日,WAIC2025(世界人工智能大会)在上海举行。本次大会以“智能时代,同球共济”为主题,汇聚全球顶尖科技企业与创新公司,集中展示前沿产品、技术及行业发展趋势,聚焦“学术突破、软硬结合、全球治理”等亮点。会议涵盖大模型、AI算力芯片、服务器等人工智能核心领域,... [详细...]文件大小: | 15 页 PDF 2025-08-18
































