-
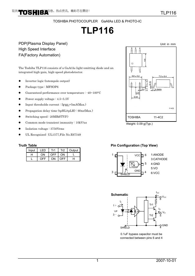
TLP116是东芝推出的一款光电耦合器,其特点是具有反相逻辑(totempole输出)、小型封装、高输入门槛电流、低传播延迟时间、高切换速度、高共模瞬态抗扰度和高绝缘电压等特性... [详细...]文件大小: | 8 页 PDF 2025-09-30
-
OPTEK OVLEW3CB6 是一款圆形、5 毫米的白色高亮灯,具有 30 度视角和支脚。它专为需要高光效的应用而设计,例如室内和室外显示屏、标记灯和光学指示器。... [详细...]文件大小: | 5 页 PDF 2025-10-01
-
TLP1004A(F)和TLP1005A(F)是数字输出光隔离器,结合了GaAs红外LED和高灵敏度高增益的Si光电IC。它们适用于家庭电器设备(如录像机、CD播放器)、办公自动化设备(如复印机、打印机、传真机等)以及自动服务设备(如自动售货机、各种位置检测等)。产品具有直接连接到TTL、LSTTL... [详细...]文件大小: | 10 页 PDF 2025-10-24
-
HCL HC1901A69是HCL公司生产的一款电脑一体机,搭载AMD移动Sempron 210U处理器,250GB硬盘,18.5英寸16:9比例显示屏,最高分辨率1920x1440,支持Windows系列和LINUX操作系统... [详细...]文件大小: | 1 页 PDF 2025-09-14
-
该PDF文件为KA-3529SES-L RED-ORANGE PRELIMINARY SPEC的规格说明书。该产品采用TS AlInGaP光发射二极管,适用于所有SMT组装和焊接过程。... [详细...]文件大小: | 6 页 PDF 2025-10-02
-
聚灿光电(300708)聚灿光电基本情况概览公司主要从事化合物光电半导体材料的研发、生产和销售业务,主要产品为GaN基高亮度LED外延片、芯片。公司从成立之日起,就专注于LED外延片、芯片业务,主业聚焦度高;公司所生产的产品主要为通用照明、植物照明、车载照明、手机背光、车载背光、屏幕显示、可穿戴设备... [详细...]文件大小: | 21 页 PDF 2023-08-09
-
三安光电(600703)核心观点传统LED迎来拐点,MiniLED需求放量。传统LED照明业务2021年触底反弹,红外、紫外、车用产品、植物照明等市场渗透率的进一步提升带动公司产品市占率及盈利能力的提升。公司在MiniLED市场拓展取得初步成效,21年销售额同比增长247%。与S004、A006等国... [详细...]文件大小: | 6 页 PDF 2022-07-27
-
这是一款高性能电脑主板,采用Intel Z590芯片组,支持第11代英特尔酷睿处理器,拥有14相数字供电,配备双M.2插槽和三条PCIe 4.0 x4显卡插槽,支持双路SLI和三路CrossFire,并配备WiFi 6无线网卡和2.5Gbps有线网卡... [详细...]文件大小: | 51 页 PDF 2025-09-23
-
电子行业 2021 年回顾。我们综合申万电子、中信电子、长江电子三个指数的成份股作为光大证券电子行业样本,2021 年全行业(A 股)500 家公司收入为31220.61 亿元,同比上升 25.1%;全行业归母净利润为 2319.58 亿元,同比上升 58.1%。(1)半导体:收入+36.3%,归母... [详细...]文件大小: | 22 页 PDF 2022-05-06
-
晶丰明源(688368)投资摘要晶丰明源作为国内LED驱动芯片龙头企业,通过内生+外延实现企业跨越式发展。公司管理层来自意法半导体、安森美、通用电气、中兴通讯等国内外知名企业;公司注重产品研发投入,研发费用率近三年保持较高水平,截止2022Q3,公司研发费用率为37.41%,研发人员占比为66.1%... [详细...]文件大小: | 15 页 PDF 2022-11-28
-
聚灿光电(300708)事件:公司发布2023年半年度业绩公告,23H1公司实现营业收入11.99亿元,同比增长19.21%;归母净利润0.25亿元,同比下滑41.59%;基本每股收益0.05元/股,业绩符合预期。产品结构高端化&价格回暖,毛利率改善明显上半年市场终端需求回暖迹象初显,公司背光、高光... [详细...]文件大小: | 3 页 PDF 2023-07-20
-
本手册介绍了如何使用英特尔® 傲腾™ 持久内存,它是一种使用英特尔® 3D XPoint™ 技术的新一代内存技术。英特尔® 傲腾™ 持久内存可提供高性能、高可靠性和持久性,能够在数据中心、高性能计算 (HPC)、企业存储和嵌入式系统等广泛应用中发挥作用。... [详细...]文件大小: | 44 页 PDF 2025-11-04
-
艾比森(300389)【投资要点】近日,公司发布2022年第三季度报告。受益于海外市场随着防疫政策宽松化而快速恢复,同比2021年增长超过100%,助力公司在不确定的外部经济环境中,实现了业绩整体稳定增长。前三季度累计实现营收17.80亿元,同比增长26.94%;实现归母净利润1.14亿元,同比增长... [详细...]文件大小: | 4 页 PDF 2022-11-07
-
本文件是BTHQ 21603VSS-06的规格说明书,介绍了该产品的特点特性,包括机械尺寸、接口信号、绝对最大额定值、环境条件、电气特性、典型电气特性、时序规范、电压Vs与电压V0之间的时序图、字符代码与字符图案之间的对应关系等... [详细...]文件大小: | 12 页 PDF 2025-10-02
-
... [详细...]文件大小: | 19 页 PDF 2025-09-30
-
这份文档介绍了Fairchild Semiconductor Corporation的T-3/4亚迪光散射和透明灯,包括高效红色、黄色和绿色灯。灯具有亚迪红色、高效红色、绿色和黄色的染色散射或透明环氧树脂镜头,产生宽角度光束发射和清晰的开/关对比。灯具有多种引脚弯曲形式,适用于不同的安装需求。... [详细...]文件大小: | 7 页 PDF 2025-10-24
-
本周电子板块表现:本周上证涨跌幅为0.03%,深证成指、创业板指涨跌幅分别为-1.34%、-2.29%;电子板块涨跌幅为-2.32%,年初至今上涨2.92%。在电子行业中,细分板块多数下跌,涨跌幅排名前三的板块分别为半导体材料、模拟芯片设计、LED,涨跌幅分别为-0.13%、-0.19%、-0.73... [详细...]文件大小: | 9 页 PDF 2023-09-17
-
TLP116是东芝生产的一种光耦合器,具有高反向隔离能力,支持数字隔离,可以用于A/D、D/A转换、高速线路接收器、微处理器系统接口和等离子显示屏。其最大输入电流为5mA,最大输入电压为0.8V,最大供电电压为5.5V,典型开关速度为20MBd(NRZ)。... [详细...]文件大小: | 5 页 PDF 2025-10-24
-
隆利科技(300752)投资要点隆利科技十五年深耕背光模组领域,降本增效+产品结构优化助力盈利水平企稳回升。隆利科技成立于2007年8月,于2018年11月在深交所上市,自成立至今15年专注于背光显示模组的研发、生产和销售。随着中国大陆成为液晶显示的制造大国和消费大国,公司充分抓住历史性机遇,目前客... [详细...]文件大小: | 18 页 PDF 2022-09-27
-
聚灿光电(300708)事件:公司发布2023年业绩报告。2023年,公司实现营业收入24.81亿元,同比增长22.30%;归母净利润1.21亿元,扣非归母净利润1.22亿元,同比扭亏为盈。性能&产能稳步提升,降本增效成效明显2023年,公司在收入端、成本端均实现稳步增长或改善,同时费用端持续优化,... [详细...]文件大小: | 3 页 PDF 2024-02-02


