-
DS55493�DS75493是四路LED段驱动器,其特点是低电压操作、低输入电流、低待机功耗、显示消隐功能、输出电流调节、四路高增益电路... [详细...]文件大小: | 4 页 PDF 2025-10-23
-
Vishay 0603 SMD LED 产品具有极小的封装尺寸和出色的亮度,适用于苛刻环境下的中小型、高功率产品... [详细...]文件大小: | 11 页 PDF 2025-10-22
-
士兰微(600460) 结论与建议: 受益于AI投资高速增长,半导体产业链需求不断外溢,同时金属、树脂等材料成本显著上升,因此半导体产业各细分产业自2H25以来出现了幅度不一的涨价现象。作为目前国内少数的民营IDM模式的综合型半导体产品企业,将受益于功率类、模拟类产品价格的提升,并受惠于LED、Si... [详细...]文件大小: | 3 页 PDF 2026-02-25
-
本文档是Affinium LED冷却器模块Value-plus和Vision-plus LCM310的快速安装指南,介绍了使用安装夹或安装架安装的步骤和注意事项。... [详细...]文件大小: | 12 页 PDF 2025-09-22
-
这款241P3LYES/00显示器是飞利浦专业系列产品,配备Smart Ergo Base、立体声音频和USB端口,采用LED技术,确保自然色彩,并支持SmartImage功能,为用户提供优质的显示效果。... [详细...]文件大小: | 3 页 PDF 2025-10-01
-
OPTOTRONIC® OT DMX RGB DIM是一种用于LED模块的RGB控制器,可与OT电源供应一起使用。... [详细...]文件大小: | 2 页 PDF 2025-10-24
-
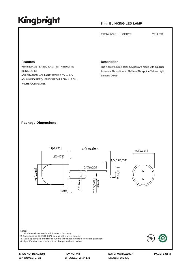
本文件是8mm LED灯的规格书,包含产品的型号、外观、尺寸、电气特性、光学特性等信息。... [详细...]文件大小: | 3 页 PDF 2025-10-02
-
该文档为KPC-3216ID LED产品数据表,介绍了产品的特点、规格、型号等信息。... [详细...]文件大小: | 4 页 PDF 2025-10-02
-
该文件介绍了TWH104-H#型号的CHIP LED器件的特点、绝对最大额定值、电光特性、等级、特性图、焊接剖面、外形尺寸、包装、卷装结构、使用注意事项和RoHS信息。... [详细...]文件大小: | 12 页 PDF 2025-10-25
-
兆驰股份(002429) 事件:2024年8月5日,兆驰股份发布2024年半年报。2024H1公司实现总营收95.20亿元(+23.07%),归母净利润9.11亿元(+24.04%),扣非归母净利润8.59亿元(+36.91%)。 2024Q2业绩在LED业务助力下高增,2024H1海外市场迅速拓展... [详细...]文件大小: | 5 页 PDF 2024-08-08
-
深圳市神牛摄影器材有限公司推出了两款高性价比 LED 灯 LA150D/LA200D。该灯适用于人物采访、电商直播、短视频拍摄、静物拍摄等拍摄场景。... [详细...]文件大小: | 17 页 PDF 2025-10-07
-
本文件是海信 LED42K11P 液晶电视的服务手册,介绍了该产品的外观、功能、规格、特点等信息,以及电路框图、电源分配、原理说明等。... [详细...]文件大小: | 35 页 PDF 2025-10-09
-
NovaLCT LED Configuration Tool for Multimedia Player User Manual,介绍了该工具的软件介绍、安装、连接、登录、屏幕配置、亮屏、连接屏幕、保存配置文件、设置性能参数、亮度和色度调整、屏幕监控、屏幕管理等功能... [详细...]文件大小: | 116 页 PDF 2025-11-24
-
ILL3A003是CML推出的一款4瓦LED模块灯源,采用11或24度光束,使用寿命为50,000小时。产品有红、琥珀、绿、青、蓝、暖白和冷白等颜色可选。... [详细...]文件大小: | 2 页 PDF 2025-10-01
-
该文档介绍了HY11P23 4-20mA量测LED仪表显示器的应用说明。该产品具有电路设计简单、消耗电流低、回路压降小的特点。... [详细...]文件大小: | 12 页 PDF 2025-10-05
-
OEM335A是LM201系列的一款数字电压表模块,采用单5V电源供电,红色LED显示,10.16mm位数高度,小数点可选,支持单端或差分输入。... [详细...]文件大小: | 2 页 PDF 2025-10-22
-
三安光电(600703)事件:2021年7月29日,公司发布2021半年度财报。2021H1营收实现61.14亿元,同比增长71.38%,归母净利润实现8.84亿元,同比增长39.18%。点评:坚定看好公司长期发展,公司产品结构逐步优化,集成电路业务进展顺利,化合物第三代半导体受益国产替代催化,加速... [详细...]文件大小: | 4 页 PDF 2021-07-30
-
FAN5607是一款适用于低压LED驱动的微控制器,具有高达93%的效率、低EMI、低纹波、高达120mA的输出电流和三个工作模式。... [详细...]文件大小: | 13 页 PDF 2025-10-02
-
LC513FWH1-60Q-A0是Cree公司生产的一款5mm圆形LED灯,具有60度发光角,白色光,无挡片。... [详细...]文件大小: | 6 页 PDF 2025-10-18
-
Vishay Semiconductors VLMK/Y62.. 是一款高效能、低功耗的 LED 产品,具有很高的光效、可靠性和使用寿命,广泛应用于背光、汽车照明、信号灯等领域。... [详细...]文件大小: | 9 页 PDF 2025-10-23


