-
本文档介绍了Fortimo LED SLM平台的热设计指南,包括热规格、如何测量Tc的临界温度点、热界面材料、被动散热灯具设计、主动散热灯具设计以及热解决方案的合作伙伴。... [详细...]文件大小: | 30 页 PDF 2025-10-01
-
该文件介绍了OPTEK公司生产的红色PLCC4表面贴装LED产品的特点和特性,包括高亮度、低功耗、兼容自动放置设备、宽视角等。该产品适用于交通信号灯、指示灯、背光、汽车内饰照明等应用场景。... [详细...]文件大小: | 4 页 PDF 2025-10-22
-
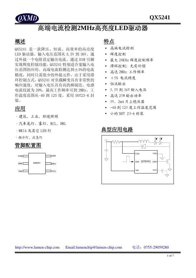
QX5241是一款降压、恒流、高效率的高亮度LED驱动器,适用于宽输入电压范围的应用。具有高电流精度,快速响应速度,高抑制比和辉度控制功能。... [详细...]文件大小: | 7 页 PDF 2025-09-15
-
LM3500是专为白色LED手机背光应用设计的同步升压DC/DC转换器,采用小巧的8引脚薄型微SMD封装,具有低电流、高效率的特点。... [详细...]文件大小: | 15 页 PDF 2025-10-18
-
这是一款具有行业标准PLCC-2封装的SMT LED产品,具有高可靠性性能,可在各种恶劣环境下工作,适用于汽车内饰和室内标牌应用。... [详细...]文件大小: | 12 页 PDF 2025-10-24
-
该产品是Vishay Semiconductors VLMW611.,是一款具有非常低的热阻、高光学功率、光学效率24 lm/W、光强度和颜色分组的SMD CLCC-6封装的LED。... [详细...]文件大小: | 9 页 PDF 2025-10-23
-
公牛集团(603195)核心主业地位稳固,新能源、LED业务逐渐驶入快车道,维持“买入”评级两大核心主业龙头地位稳固,新能源、LED作为公司重点板块,在行业增长红利+公司渠道、供应链等多方面积极因素下有望逐渐驶入快车道。考虑到2021Q4原材料仍处高位,我们下调2021-2023年盈利预测,预计20... [详细...]文件大小: | 15 页 PDF 2022-03-07
-
最新动态摘要1.世界半导体贸易统计组织(WSTS)预计2022年全球半导体市场规模将达到5734亿美元,同比增长8.8%。WSTS已经多次上调了2021年的全球半导体市场增长预测,最新预测2021年增长将达19.7%,而2022年将继续保持高增长。我们认为全球半导体超级景气周期仍将持续,在整个社会数... [详细...]文件大小: | 26 页 PDF 2021-06-22
-
ILL3A0001是CML公司的3瓦LED模块,具有1.74英寸(44.2毫米)的圆形紧凑型光源,可驱动高达1000mA,具有50,000小时的使用寿命,并与标准和定制驱动程序兼容。... [详细...]文件大小: | 2 页 PDF 2025-10-01
-
该文件为10-2603.320AL Bi-colour Red/Green Three Pin LED的英文数据手册,包含产品的特点特性,如颜色、亮度、电压等... [详细...]文件大小: | 5 页 PDF 2025-10-02
-
R1203x系列升压DC/DC转换器,专用于驱动白色LED背光。该系列产品具有低供电电流、高效率、高可靠性和良好的EMI性能。... [详细...]文件大小: | 13 页 PDF 2025-10-26
-
该文档介绍了一款亮红色LED显示屏,适用于单一5V直流电源操作。特点包括数字高度为10.16mm,可选择小数点,可自行安装,支持单端或差分输入。... [详细...]文件大小: | 2 页 PDF 2025-11-04
-
兆驰股份(002429)核心观点前三季度营收同比增长15.84%,毛利率提升2.3pct。2023年前三季度公司营收126.87亿元(YoY+15.84%),归母净利润12.72亿元(YoY+44.40%),毛利率18.21%(YoY+2.3pct)。其中3Q23营收49.52亿元(YoY+28.8... [详细...]文件大小: | 6 页 PDF 2023-10-31
-
海信 LED55T28GPN(1100) 液晶电视服务手册,主要介绍了产品外观、功能规格、特点介绍、方案概述、原理说明、电路框图构架、电源分配等内容。... [详细...]文件大小: | 32 页 PDF 2025-10-09
-
该文件介绍了一种小型芯片式LED,具有高亮度、小尺寸、工业标准尺寸、散射光学等特点。适用于LCD背光、按钮背光、前面板指示、符号指示、微显示器、小型信息面板标识等应用。... [详细...]文件大小: | 12 页 PDF 2025-10-23
-
ViewSonic VX1932wm-LED是一款获得TCO认证的显示器,该认证保证了显示器的设计、制造和测试符合全球最严格的质量和环境要求,是一款高性能产品,旨在最大限度地减少对气候和自然环境的影响。... [详细...]文件大小: | 23 页 PDF 2025-10-09
-
利亚德(300296)公司是全球LED显示龙头,全球份额排名第一公司“深耕显示”战略卓见成效,业务重心回归智能显示,2020年营收占比达78%。公司连续多年蝉联全球LED显示产品市占率第一,2019年市场份额达到12.1%,公司其他业务包括夜游经济、文化旅游与VR体验等。受疫情影响公司2020年收入... [详细...]文件大小: | 32 页 PDF 2021-05-26
-
聚灿光电(300708)核心观点:聚焦资源,做强主业,公司盈利能力大幅提升:公司23年现营业收入24.8亿元,同比增长22.3%%;实现归属于上市公司股东的净利润1.21亿元,同比增长291.4%,实现归属于上市公司股东的扣除非经常性损益的净利润1.21亿元,同比增长166.3%,业绩符合预期。公司... [详细...]文件大小: | 4 页 PDF 2024-01-31
-
兆驰股份(002429) 核心观点 2023年归母净利润预计15-18亿元,同比增长30%-57%。公司发布2023年度业绩预告,预计2023年归母净利润15-18亿元,同比增长30.90%-57.08%,扣非后归母净利润13.9-16.9亿元,同比增长45.57%-76.99%。 2023年公司电... [详细...]文件大小: | 6 页 PDF 2024-02-08
-
该文件是关于SUPER BRIGHT T-1 3/4 (5 mm) LED LAMP - Water Clear产品的规格说明书,包括产品的参数、特性、外观尺寸等信息。... [详细...]文件大小: | 4 页 PDF 2025-10-24


