-
... [详细...]文件大小: | 70 页 PDF 2017-11-30
-
这份文件介绍了广州唯创电子有限公司的MP3录音模块WT1312功放芯片的使用说明和特点。该功放芯片工作电压范围广泛,静态电流低,输出功率高。... [详细...]文件大小: | 7 页 PDF 2025-10-05
-
杰华特(688141)核心观点采用虚拟IDM模式的模拟芯片设计企业,2018-2021年收入CAGR为74%。杰华特是成立于2013年的模拟芯片设计企业,采用虚拟IDM经营模式,在不建产线的同时拥有自己的专有工艺,目前已构建了0.18微米的7至55V中低压BCD工艺、0.18微米的10至200V高压... [详细...]文件大小: | 46 页 PDF 2022-12-28
-
投资要点: 电子板块观点:美方批准英伟达对华出售H200芯片,并收取25%分成,此举或将加快中国AI模型训练进程,另一方面或对国产AI芯片厂商短期内对市场拓展和生态构建形成压力。美国芯片巨头博通2025财年第四季度业绩全面超出市场预期,在AI芯片销售额同比激增74%,预计下一季度保持高速增长。当前电... [详细...]文件大小: | 14 页 PDF 2025-12-15
-
彤程新材(603650) 事件:2024年5月27日,公司与江苏省金坛华罗庚高新技术产业开发区管理委员会签署《“半导体芯片先进抛光垫项目”合作协议》,协议备案投资3亿元(最终投资金额以项目建设实际投入为准),项目顺利达产后可实现年产半导体芯片先进抛光垫25万片、预计满产后年销售约8亿元。 业绩表现亮... [详细...]文件大小: | 3 页 PDF 2024-05-30
-
新相微(688593) 公司简介 公司自成立以来深耕显示驱动芯片领域,产品种类齐全,是少数能够同时提供整合型和分离型显示驱动方案的中国内地厂商之一。公司产品广泛应用于智能穿戴、手机、工控显示、平板电脑、IT显示、电视及商显等下游应用场景。公司与京东方、深天马等行业内主流面板厂商,骏遒电子、亿华显示、... [详细...]文件大小: | 21 页 PDF 2024-10-18
-
臻镭科技(688270)事件:4月20日,臻镭科技发布2022年年报,2022全年公司实现营收2.43亿元,同比增长27.28%;实现归母净利润1.08亿元,同比增长8.98%。扣非归母净利润1.02亿元,同比增长12.88%。其中4Q22单季度公司实现营收0.93亿元,同比增长3.25%,环比增长... [详细...]文件大小: | 3 页 PDF 2023-04-24
-
英伟达以GB200为核心发布多款突破产品,显著提升计算性能:在GTC2024大会上,英伟达发布了划时代的Blackwell架构和基于此架构的GB200超级芯片,标志着GPU的全面升级。Blackwell是英伟达首个采用多芯片封装设计的GPU,在同一个芯片上集成了两个GPU,使得芯片算力得到跨越式提升... [详细...]文件大小: | 13 页 PDF 2024-05-22
-
事件:7月8日至10日,世界人工智能大会在上海举行。本次大会以“智联世界众智成城”为主题,举行近百场各类论坛和特色活动,组织4万平方米规模的专题展览。点评:我们认为本次世界人工智能大会有三大亮点值得重视:亮点一:国产AI训练、推理芯片的持续突破训练芯片方面,天数智芯、寒武纪、燧原科技均展示相关最新产... [详细...]文件大小: | 4 页 PDF 2021-07-12
-
一、事件概述美国德州因暴风雪袭击使多地出现停电,导致当地的三星、英飞凌、恩智浦多座晶圆厂暂时关闭。日本瑞萨茨城工厂受地震影响停工检查。二、分析与判断停产产能涉及功率/存储等芯片,进一步加剧供应紧张据ICinsight显示,英飞凌德州奥斯汀工厂主要生产130nm制程的汽车和工业市场内存芯片,占公司去年... [详细...]文件大小: | 3 页 PDF 2021-02-19
-
臻镭科技(688270)正向研制、进口替代。公司是典型的“学霸企业”,实控人郁发新教授是业内知名专家。主要产品包括射频收发芯片及高速高精度ADC/DAC芯片、终端射频前端芯片、电源管理芯片、微系统及模组等。产品适配性强,下游覆盖面广,可应用于无线通信终端、新一代电台、高速跳频宽带数据链、雷达、卫星通... [详细...]文件大小: | 28 页 PDF 2022-03-10
-
SGL8012W是一款用于灯光亮度调节的单通道触摸芯片。使用该芯片可以实现灯光的触摸开关和无级亮度调节,适用于白炽灯、卤素灯等。... [详细...]文件大小: | 8 页 PDF 2025-09-22
-
本期内容提要:人工智能引领新一轮科技革命,AIGC成为主要方向。每一次科技创新的浪潮都是通过突破某一项先进生产力要素,从而提升人类生产效率所实现。回望前三次科技革命的步伐,不难发现,一项先进生产力从萌芽到被广泛使用,其核心在于能否变革人类的生产生活方式,带来生产效率大幅提升。AIGC的出现真正赋予了... [详细...]文件大小: | 15 页 PDF 2023-02-26
-
恒玄科技(688608) 事件 恒玄科技发布2024年半年度报告:2024年上半年公司实现营业收入15.31亿元,同比增长68.26%;实现归属于上市公司股东的净利润1.48亿元,同比增长199.76%;实现归属于上市公司股东的扣除非经常性损益的净利润1.12亿元,同比增长1872.87%。 投资要... [详细...]文件大小: | 5 页 PDF 2024-09-03
-
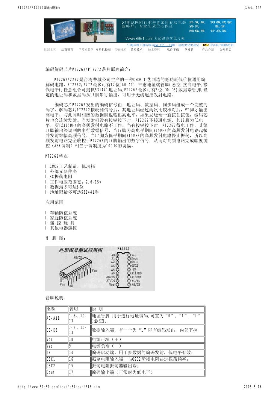
该文件介绍了编码解码芯片PT2262/PT2272的特点和应用范围,包括低功耗、外部元器件少、工作电压范围宽等特性。该芯片可用于车辆防盗系统、家庭防盗系统、遥控玩具等电器遥控应用。... [详细...]文件大小: | 5 页 PDF 2025-11-23
-
事件:17日,美国计划限制向中国出口先进AI芯片和半导体设备,将13家中国GPU企业列入“实体清单”(1)限制销售:将于11月16日生效的《先进计算芯片规则(AC/SIFR)》不再以“互联带宽”参数为限制标准,保留了2022年10月限制(算力大于4800且带宽大于600GB/S),新增了总处理性能T... [详细...]文件大小: | 2 页 PDF 2023-10-18
-
核心观点AIoT(人工智能物联网)=AI(人工智能)+IoT(物联网):AIoT融合AI技术和IoT技术,通过物联网产生、收集来自不同维度的、海量的数据存储于云端、边缘端,再通过大数据分析、人工智能处理等,实现万物数据化、万物智联化。AIoT技术和生态逐步走向成熟,疫情催化智能类产品快速放量,AIo... [详细...]文件大小: | 7 页 PDF 2021-06-23
-
1)美国商务部工业和安全局发布《人工智能扩散框架》的临时最终规则,对先进芯片和闭源AI模型实施新的管控措施。美国将对各个国家及地区,根据其部署的芯片计算能力被划分为三个等级,不同等级适用不同的销售限制。在禁令加剧以及国内以字节为首的互联网厂商大规模建设算力的背景下,我们预计2025年国产算力将大规模... [详细...]文件大小: | 10 页 PDF 2025-01-20
-
北京君正(300223)核心观点事件:公司公告《2023年三季度报告》。消费复苏拉动计算芯片同环比增长,存储芯片受宏观影响有所承压。2023年1-9月公司收入34.20亿元,同比-18.94%;归母净利润3.68亿元,同比-49.65%。其中,计算芯片收入8.15亿元,同比+45.87%;存储芯片收... [详细...]文件大小: | 3 页 PDF 2023-11-16
-
铖昌科技(001270)相控阵技术优势明显,应用场景双重拓展:相控阵雷达在频宽、信号处理和冗余设计上都比传统机械扫描雷达具较大优势,因此可广泛应用于通信、导航等领域,军用层面充分受益武器装备的新型号装配及原有型号技术升级,在星载、机载、舰载、车载及地面五大领域加速放量。相控阵技术成为雷达技术发展的主... [详细...]文件大小: | 22 页 PDF 2022-11-30
































